После обращений работников завода Кузнецкие металлоконструкции с жалобами…
После обращений работников завода Кузнецкие металлоконструкции с жалобами…
Ремонт стрелы лесовоза, было все вырвано, производилась замена, повреждённого…
Особый технологический процесс, по окончании которого получается неразъемное…
Сварку применяют для получения неразъемного соединения деталей при изготовлении…
Огромный интерес и возросший за последнее десятилетие пик популярности к…
Являются востребованными практически во всех сферах деятельности человека…
Сварочные работы Человечество в любых городах и странах пока не придумало…
Завод «Возрождение» осуществляет токарные работы на современных станках…
В ЦВК «Экспоцентр» начала работу 17-я международная специализированная выставка…
В распоряжении РЕН ТВ оказались жуткие кадры из Екатеринбурга. Тяжелая металлическая…
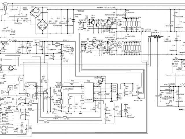
С сравнением сварочных инверторов можете ознакомится в презентации. Инверторные…
Для высокоточного производства различного рода металлических деталей для…
Сколько будет стоить изготовить 2 такие детали Здравствуйте.Необходимо изготовить…
Выезд сварщика Монтаж и ремонт систем водоснабжения Сварка отопления Сварка…
Сколько сварщики получают з/П на автомате и полуавтомате? Всем привет, хочу…
Поздравляю с Новым Годом и Рождеством участников и гостей группы! Желаю…
Комбинат ЕПК УрФУ принимает заказы на металлообработку. Специалисты с богатым…
Если вам необходима механическая обработка или токарная обработка изделия…
Промышленная металлообработка не потеряла своей актуальности даже после…
Требуются токарные работы в Воронеже? Правильное решение – обратиться к…
Демонтажные и сварочные работы в Хабаровске Перед началом ремонтных работ…
Компания «Интехсервис» была образована в 2007 году как дилер мирового лидера…
Фрезерный станок – инструмент, при помощи которого можно проделывать пазы…
Токарная работа это процесс точения металлических, заранее приготовленных…